欢迎光临中国城市环境卫生协会官方网站     

  |  EN
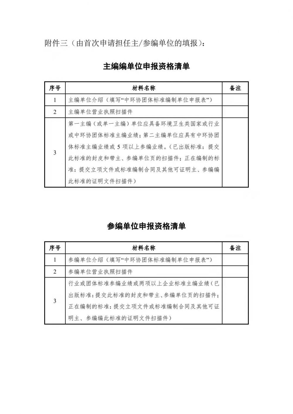
首页  > 研究  > 团体标准  > 制修订计划
关于征集《2021—2022年中国城市环境卫生协会团体标准立项项目》(第六​批)通知

来源:中国城市环境卫生协会秘书处

【字号:大 中 小 

  打印

分享:


1639738199253441.jpg


微信图片_20211217185509.png1639738785546147.png

1639738697522786.jpg

 







1639741007191014.jpg


1639742449158136.jpg






1639745275215007.jpg


1639743716564590.jpg

1639740414949686.jpg


1639743955154218.jpg1639743987560723.jpg1639744022786778.jpg1639744071174499.jpg1639744213750631.jpg1639744276649424.jpg

1639739290717750.jpg










供稿:中国城市环境卫生协会标准化技术委员会



欢迎投稿:投稿邮箱news@caues.cn